Hướng dẫn toàn diện về động cơ bánh răng hành tinh
Để lại lời nhắn
Trong ngành công nghiệp hiện đại và tự động hóa, động cơ bánh răng hành tinh được sử dụng rộng rãi nhờ khả năng truyền lực hiệu quả và thiết kế nhỏ gọn. Cho dù trong robot, thiết bị tự động hóa hay dụng cụ điện, động cơ bánh răng hành tinh đều đóng một vai trò quan trọng. Tuy nhiên, việc lựa chọn động cơ bánh răng hành tinh phù hợp không phải là một nhiệm vụ dễ dàng, liên quan đến ưu điểm và nhược điểm của nó, so sánh với các loại động cơ khác và đáp ứng chính xác các yêu cầu ứng dụng.
Bài viết này sẽ tìm hiểu sâu về nguyên lý làm việc, ưu điểm và nhược điểm của động cơ bánh răng hành tinh cũng như sự khác biệt so với động cơ bánh răng trục vít, đồng thời cung cấp cho bạn những gợi ý thiết thực về cách lựa chọn sản phẩm phù hợp, đồng thời giới thiệu động cơ bánh răng hành tinh hiệu suất cao do VSD tự phát triển. động cơ bánh răng.
Động cơ bánh răng hành tinh là gì
Động cơ bánh răng hành tinh là hệ thống bánh răng đặc biệt, trong đó, ngoài bánh răng có thể quay quanh trục của chính nó giống như bánh răng có trục cố định, trục của nó còn quay cùng với trục của khung hành tinh quanh bánh răng trung tâm (thường là trục của bánh răng hành tinh). bánh xe mặt trời). Đặc tính chuyển động kép này là đặc điểm trung tâm của hệ thống bánh răng hành tinh.
Theo số lượng nhóm bánh răng hành tinh được lắp đặt trên giá đỡ hành tinh, cơ cấu bánh răng hành tinh có thể được chia thành:
- Hàng hành tinh đơn: chỉ có một bộ bánh răng hành tinh trên khung hành tinh.
- Nhiều hàng hành tinh: Có nhiều hơn hai bộ bánh răng hành tinh trên giá hành tinh thường được sử dụng để đạt được tỷ lệ giảm cao hơn.
Cấu tạo của cơ cấu bánh răng hành tinh đơn giản
Một cơ cấu bánh răng hành tinh đơn giản thường bao gồm các thành phần cốt lõi sau:
- Bánh xe mặt trời: Nằm ở trung tâm, là một trong những đầu vào hoặc đầu ra nguồn điện.
- Bánh xe hành tinh: Phân bố xung quanh bánh xe mặt trời, ăn khớp với bánh xe mặt trời và vòng bánh răng.
- Vòng răng: nằm ở mặt ngoài của bánh hành tinh, ăn khớp với bánh xe hành tinh.
- Giá đỡ hành tinh: Hỗ trợ bánh xe hành tinh và truyền chuyển động của nó đến đầu ra.
Các bộ phận này luôn ăn khớp và thường được thiết kế với các bánh răng xoắn ốc để cải thiện độ êm ái của bộ truyền động và giảm tiếng ồn.
Ưu điểm và nhược điểm của động cơ bánh răng hành tinh
Thuận lợi
Hiệu suất truyền cao với thiết kế nhỏ gọn
Với cấu trúc nhỏ gọn và mật độ công suất cao, động cơ bánh răng hành tinh duy trì hiệu suất và độ chính xác cao trong khi có trọng lượng nhỏ và nhẹ. Thiết kế của nó hầu như loại bỏ độ giật và đảm bảo kiểm soát chuyển động chính xác.
Khả năng truyền mô-men xoắn tuyệt vời
Bằng cách chia sẻ tải với nhiều bánh răng hành tinh, động cơ bánh răng hành tinh hoạt động đặc biệt tốt trong các ứng dụng yêu cầu mô-men xoắn cao. Hệ thống truyền động của nó có khả năng cung cấp công suất mô-men xoắn mạnh mẽ một cách ổn định, phù hợp với các tình huống tải trọng và nhu cầu cao.
Độ tin cậy cao và tuổi thọ lâu dài
Hệ thống bánh răng hành tinh được thiết kế tốt để giảm thiểu hiệu quả vấn đề lệch bánh răng và rung động. Độ ồn thấp, độ lặp lại tuyệt vời và hiệu suất làm việc ổn định giúp cải thiện đáng kể độ tin cậy và độ bền của động cơ, đáp ứng nhu cầu vận hành lâu dài.
Nhược điểm
Chi phí cao hơn và thiết kế phức tạp
So với các loại động cơ khác, động cơ bánh răng hành tinh thường đắt hơn do thiết kế cơ khí phức tạp và yêu cầu chế tạo chính xác. Ngoài ra, việc bảo trì có thể yêu cầu hỗ trợ kỹ thuật chuyên biệt hơn, dẫn đến chi phí tổng thể cao hơn.
Tiếng ồn vận hành và khó khăn bảo trì tiềm ẩn
Mặc dù động cơ bánh răng hành tinh thường có độ ồn thấp nhưng độ rung và tiếng ồn có thể trở nên rõ rệt hơn khi chịu tải cao hoặc môi trường vận hành phức tạp. Ngoài ra, cấu trúc phức tạp của chúng cũng có thể đặt ra những thách thức khi bảo trì và sửa chữa.
Sự khác biệt giữa động cơ bánh răng hành tinh và động cơ bánh răng sâu
Động cơ bánh răng hành tinh và động cơ bánh răng trục vít là hai thiết bị truyền động cơ học phổ biến và chúng có nhiều điểm khác biệt về cấu trúc, hiệu suất và ứng dụng.
1. Cấu tạo và nguyên lý làm việc
Động cơ bánh răng hành tinh
Nó bao gồm một bánh xe mặt trời, một bánh xe hành tinh, một bánh răng bên trong (bánh răng vành) và khung hành tinh. Bánh xe mặt trời được dẫn động bởi một động cơ điện và bánh xe hành tinh ăn khớp với cả bánh xe mặt trời và bánh răng bên trong, đồng thời truyền chuyển động và mô-men xoắn qua khung hành tinh. Cấu trúc này thực hiện đường truyền phân tán và shunt công suất, với cấu trúc nhỏ gọn, đặc tính vận hành trơn tru.
Động cơ bánh răng giun
Nó bao gồm bánh răng sâu và bánh răng sâu, việc truyền động được thực hiện bằng cách nối các răng xoắn ốc của sâu và rãnh răng của bánh răng sâu. Chế độ truyền của nó tương tự như truyền xoắn ốc, có thể mang lại tỷ lệ giảm tốc cao, nhưng ma sát lớn hơn.
2. Hiệu suất và đặc tính truyền dẫn
Động cơ bánh răng hành tinh
Hiệu suất truyền cao, lên tới hơn 95% và có ưu điểm là độ chính xác cao, độ phản ứng ngược thấp và độ ồn thấp. Thiết kế của nó cho phép trục đầu ra chịu được tải trọng hướng tâm và hướng trục lớn, khiến nó trở thành lựa chọn lý tưởng cho những trường hợp có hiệu suất cao.
Bánh răng giun và động cơ giun
Hiệu suất truyền động thấp, thường từ 60% đến 80%, do sâu tiếp xúc thẳng hàng với bánh vít và tổn thất ma sát lớn hơn. Tuy nhiên, chức năng tự khóa ngược của nó là một tính năng lớn, phù hợp trong những trường hợp cần phải tự khóa, tức là bánh sâu không thể dẫn động sâu, mang lại sự bảo mật bổ sung.
3. Khối lượng và diện tích chiếm dụng
Động cơ bánh răng hành tinh
Cấu trúc nhỏ gọn, kích thước nhỏ và thiết kế đồng trục trục đầu vào và đầu ra, lý tưởng cho các thiết bị hoặc hệ thống có không gian hạn chế.
Động cơ bánh răng giun
Âm lượng thường lớn hơn, trục đầu vào và trục đầu ra không nằm trên cùng một trục, cần nhiều không gian hơn khi lắp đặt và phù hợp với các ứng dụng không nhạy cảm với yêu cầu âm lượng.
4. Kịch bản ứng dụng
Động cơ bánh răng hành tinh
Nó được sử dụng trong các ứng dụng đòi hỏi mô-men xoắn cao, độ chính xác cao và điều khiển chính xác, như thiết bị tự động hóa công nghiệp, robot, thiết bị y tế, v.v.
Động cơ bánh răng giun
Phổ biến khi cần tỷ lệ giảm lớn, chức năng tự khóa hoặc vận hành tốc độ thấp, chẳng hạn như thang máy, băng tải, truyền động van, v.v.
Động cơ bánh răng hành tinh có bao nhiêu bánh răng
Số lượng bánh răng của động cơ bánh răng hành tinh phụ thuộc vào thiết kế cụ thể và yêu cầu chức năng của nó, chúng ta sẽ thảo luận từ động cơ bánh răng hành tinh một dòng điển hình nhất để thảo luận xem nó bao gồm bao nhiêu bánh răng:
Bánh răng mặt trời: nằm ở trung tâm của cơ cấu bánh răng hành tinh, thường là bánh răng động cơ. Bánh răng hành tinh: Quay quanh Bánh xe mặt trời trong khi bản thân chúng cũng quay. Thường có ba hoặc bốn bánh xe hành tinh.
Vòng bánh răng trong: Bánh răng lớn bên ngoài bao quanh bánh răng hành tinh và ăn khớp với mặt ngoài của bánh răng hành tinh.
Từ đây, chúng ta có thể hiểu rõ rằng số bánh răng của động cơ bánh răng hành tinh một dòng là khoảng 5 đến 6.
Cách chọn động cơ bánh răng hành tinh phù hợp
Nếu bạn chưa rõ nên chọn loại động cơ bánh răng hành tinh nào để nâng cao hiệu suất của sản phẩm, công ty VSD có thể cung cấp cho bạn lời khuyên chuyên nghiệp. Là nhà sản xuất chuyên về động cơ bánh răng hành tinh, chúng tôi có đội ngũ kỹ sư giàu kinh nghiệm. Ở đây, chúng tôi đã tổng hợp một số yếu tố chính để giúp bạn đưa ra lựa chọn sáng suốt.
1. Tỷ lệ giảm tốc
Tỷ số giảm là một chỉ báo chính của động cơ bánh răng hành tinh xác định cách động cơ chuyển đổi tốc độ đầu vào thành tốc độ đầu ra mong muốn. Việc lựa chọn tỷ lệ giảm phù hợp cần được xác định theo nhu cầu cụ thể của ứng dụng. Ví dụ: nếu yêu cầu RPM đầu ra thấp hơn và mô-men xoắn cao hơn thì sẽ cần tỷ lệ giảm lớn hơn.
2. Hiệu suất truyền động
Hiệu suất truyền động phản ánh hiệu suất của động cơ trong quá trình chuyển đổi năng lượng. Hiệu suất truyền tải cao có nghĩa là động cơ có thể sử dụng năng lượng đầu vào hiệu quả hơn, do đó giảm mức tiêu thụ năng lượng và nâng cao hiệu suất tổng thể của thiết bị. Động cơ bánh răng hành tinh thường có hiệu suất truyền động từ 90% đến 95%, cao hơn nhiều loại động cơ bánh răng khác.
3. Thông quan trả lại
Khe hở hồi tiếp đề cập đến chênh lệch Góc tối đa của trục đầu ra khi động cơ quay theo cả hướng dương và hướng âm. Khoảng hở quay trở lại càng nhỏ thì động cơ sẽ càng chính xác, mang lại khả năng điều khiển chuyển động chính xác hơn. Tuy nhiên, khe hở nhỏ hơn thường làm tăng chi phí sản xuất, do đó cần phải tìm ra sự cân bằng giữa yêu cầu về độ chính xác và chi phí.
4. Khả năng chịu tải
Khả năng tải đề cập đến lượng tải bên ngoài mà động cơ có thể chịu được. Để đảm bảo động cơ có thể chạy ổn định, việc lựa chọn cần xem xét vật liệu, thiết kế kết cấu và môi trường ứng dụng của động cơ. Việc lựa chọn công suất tải phải phù hợp với yêu cầu tải tối đa trong kịch bản ứng dụng.
5. Sử dụng môi trường
Việc sử dụng môi trường có tác động quan trọng đến việc lựa chọn động cơ. Các điều kiện môi trường khác nhau đòi hỏi các đặc tính khác nhau của động cơ. Ví dụ, môi trường nhiệt độ cao đòi hỏi phải lựa chọn động cơ có khả năng chịu nhiệt độ cao, trong khi môi trường ẩm ướt hoặc ăn mòn đòi hỏi phải có thiết kế chống nước và chống ăn mòn. Đảm bảo rằng động cơ có thể hoạt động ổn định trong một môi trường nhất định là điều quan trọng trong quá trình lựa chọn.
Nhà sản xuất động cơ bánh răng hành tinh
Được thành lập vào năm 2011, VSD đã và đang cung cấp các giải pháp động cơ bánh răng hành tinh chất lượng cao cho khách hàng trên toàn thế giới trong suốt những năm qua. Sau nhiều năm phát triển, chúng tôi hiện có hơn 30 nhân viên R & D, hơn 40 dây chuyền lắp ráp, hơn 300 thiết bị tự động hóa và được trang bị hơn 500 nhân viên tuyến đầu, để đảm bảo rằng chúng tôi có thể đáp ứng thị trường một cách nhanh chóng và hiệu quả nhu cầu, sản lượng hàng ngày hơn 200,000 đơn vị.
Chúng tôi đã đạt được ISO, CE và các chứng nhận quốc tế khác, đồng thời được trang bị thiết bị kiểm tra tiên tiến, thông qua kiểm tra tiếng ồn nghiêm ngặt, kiểm tra chống nước, kiểm tra tuổi thọ, kiểm tra va chạm, kiểm tra lưu trữ và kiểm tra phun muối cũng như xác minh chất lượng khác, để đảm bảo rằng mỗi động cơ đều hoạt động tốt. phù hợp với tiêu chuẩn quốc tế, với hiệu suất tuyệt vời và độ tin cậy.
VSD có đội ngũ nghiên cứu và phát triển độc lập, có khả năng cung cấp cho khách hàng những lời khuyên chuyên nghiệp và các giải pháp tùy chỉnh. Chúng tôi rất coi trọng việc đổi mới và nghiên cứu và phát triển công nghệ, đồng thời cam kết đáp ứng nhu cầu của khách hàng trong nhiều lĩnh vực khác nhau, cung cấp động cơ bánh răng hành tinh hiệu quả và đáng tin cậy được thiết kế riêng.
Tìm hiểu thêm:Nhà sản xuất động cơ bánh răng VSD DC trong hơn 10 năm
Động cơ bánh răng hành tinh do VSD tự phát triển
| Hình ảnh sản phẩm |
|
|
|
||||
| Mô hình động cơ | VSD-42P755 | VSD-22PG2233 | VSD-24P370 | ||||
| ĐIỆN ÁP | PHẠM VI HOẠT ĐỘNG | 18 | 22~26 | 8~16 | 18~26 | 3~12 | 3~12 |
| DANH HIỆU V |
18 | 24 | 12 | 24 | 6 | 12 | |
| KHÔNG TẢI | TỐC ĐỘ r/phút |
148 | 200.77 | 107.42 | 229.4 | 160.71 | 540 |
| HIỆN TẠI A |
1.4 | 1.4 | 0.4 | 0.36 | 0.09 | 0.09 | |
| HIỆU QUẢ TỐI ĐA | TỐC ĐỘ r/phút |
118 | 164 | 80 | 184 | 91 | 351 |
| HIỆN HÀNH A |
5.485 | 6.333 | 1.57 | 1.637 | 0.119 | 0.168 | |
| MÔ-men xoắn mN.m |
3163.356 | 3820.465 | 558.474 | 911.961 | 8.885 | 24.163 | |
| ĐẦU RA W |
39.057 | 65.782 | 4.669 | 17.606 | 0.085 | 0.889 | |
| BẮT ĐẦU | MÔ-men xoắn mN.m |
15555.857 | 21102.564 | 2174.499 | 4643.918 | 20.589 | 69.178 |
| HIỆN HÀNH A |
21.486 | 28.648 | 3.349 | 6.699 | 0.156 | 0.312 | |
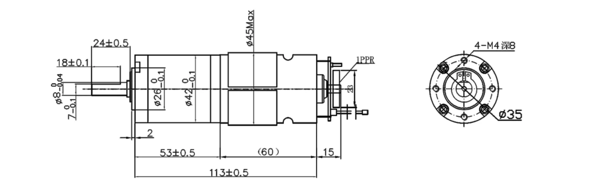
| Thiết kế sản phẩm |
|
|
|
||||
| Hiệu suất sản phẩm |
|
|
|
||||
*Dữ liệu trên là từ kết quả thử nghiệm nội bộ và không thể hiện dữ liệu chính xác.
| Hình ảnh sản phẩm |
|
|
|
||||
| Mô hình động cơ | VSD-42P4236 | VSD-28P2820 | VSD-28P395 | ||||
| ĐIỆN ÁP | PHẠM VI HOẠT ĐỘNG | 8~16 | 18~26 | 8~16 | 18~26 | 8~16 | 18~26 |
| DANH HIỆU V |
12 | 24 | 12 | 24 | 12 | 24 | |
| KHÔNG TẢI | TỐC ĐỘ r/phút |
192 | 392 | 137 | 281 | 5.3 | 11.5 |
| HIỆN TẠI A |
0.696 | 0.69 | 0.264 | 0.261 | 0.103 | 0.1 | |
| HIỆU QUẢ TỐI ĐA | TỐC ĐỘ r/phút |
160 | 343 | 110 | 241 | 4 | 9 |
| HIỆN HÀNH A |
3.487 | 4.932 | 1.115 | 1.577 | 0.277 | 0.391 | |
| MÔ-men xoắn mN.m |
1501.993 | 2279.266 | 584.979 | 902.42 | 1716.714 | 2849.49 | |
| ĐẦU RA W |
25.168 | 81.964 | 6.765 | 22.767 | 0.697 | 2.7 | |
| BẮT ĐẦU | MÔ-men xoắn mN.m |
9027.794 | 18430.099 | 3056.326 | 6294.059 | 6328.24 | 13674.5 |
| HIỆN HÀNH A |
17.473 | 34.947 | 4.712 | 9.424 | 0.743 | 1.486 | |
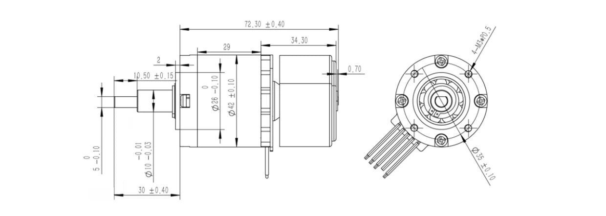
| Thiết kế sản phẩm |
|
|
|
||||
| Hiệu suất sản phẩm |
|
|
|
||||
*Dữ liệu trên là từ kết quả thử nghiệm nội bộ và không thể hiện dữ liệu chính xác.
| Hình ảnh sản phẩm |
|
|
|
||||
| Mô hình động cơ | VSD-32P3530 | VSD-32P555 | VSD-36P3640 | ||||
| ĐIỆN ÁP | PHẠM VI HOẠT ĐỘNG | 8~16 | 18~26 | 8~16 | 18~26 | 8~16 | 18~26 |
| DANH HIỆU V |
12 | 24 | 12 | 24 | 12 | 24 | |
| KHÔNG TẢI | TỐC ĐỘ r/phút |
0.96 | 23.2 | 105 | 217 | 76 | 201 |
| HIỆN TẠI A |
0.07 | 0.06 | 0.17 | 0.17 | 0.33 | 0.415 | |
| HIỆU QUẢ TỐI ĐA | TỐC ĐỘ r/phút |
8 | 19 | 84 | 185 | 59 | 169 |
| HIỆN HÀNH A |
0.216 | 0.3 | 0.692 | 0.979 | 1.167 | 2.249 | |
| MÔ-men xoắn mN.m |
789.93 | 1274 | 406.725 | 630.05 | 1643.044 | 2861.74 | |
| ĐẦU RA W |
0.68 | 2.5 | 3.595 | 12.19 | 10.195 | 50.755 | |
| BẮT ĐẦU | MÔ-men xoắn mN.m |
3224.134 | 6827.7 | 2062.553 | 4257.54 | 7455.6 | 18372.233 |
| HIỆN HÀNH A |
0.665 | 1.32 | 2.818 | 5.635 | 4.13 | 12.187 | |
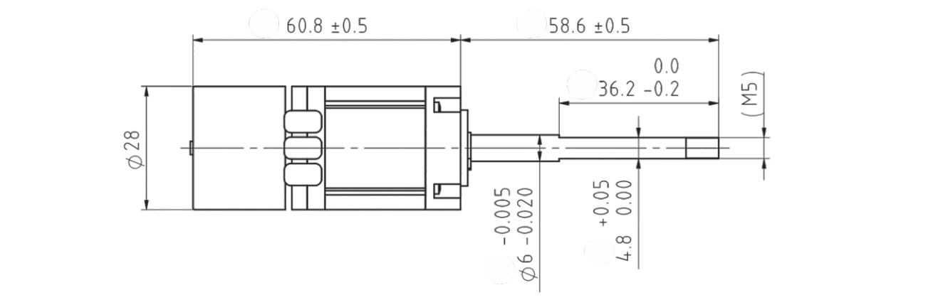
| Thiết kế sản phẩm |
|
|
|
||||
| Hiệu suất sản phẩm |
|
|
|
||||
Tìm hiểu thêm:Động cơ bánh răng hành tinh mô-men xoắn cao tốc độ thấp VSD


































