
Động cơ DC vô hiệu
Chúng tôi có một danh mục đầu tư rộng rãi của các động cơ DC vô hiệu, bao gồm một phạm vi kích thước từ OD tối thiểu là 5 mm đến tối đa OD 40mm, với độ dài từ 10 mm đến 110mm. Hiệu suất tốc độ cũng rất tuyệt vời, với tốc độ không tải có sẵn từ 1000R/phút đến 100000R/phút.
Nếu bạn đang tìm kiếm một động cơ DC không có chất lượng cao, cho dù đó là sản phẩm tiêu chuẩn hay dịch vụ tùy chỉnh, VSD sẽ là đối tác đáng tin cậy của bạn.
Mô tả
Bảng tham số động cơ DC vô dụng
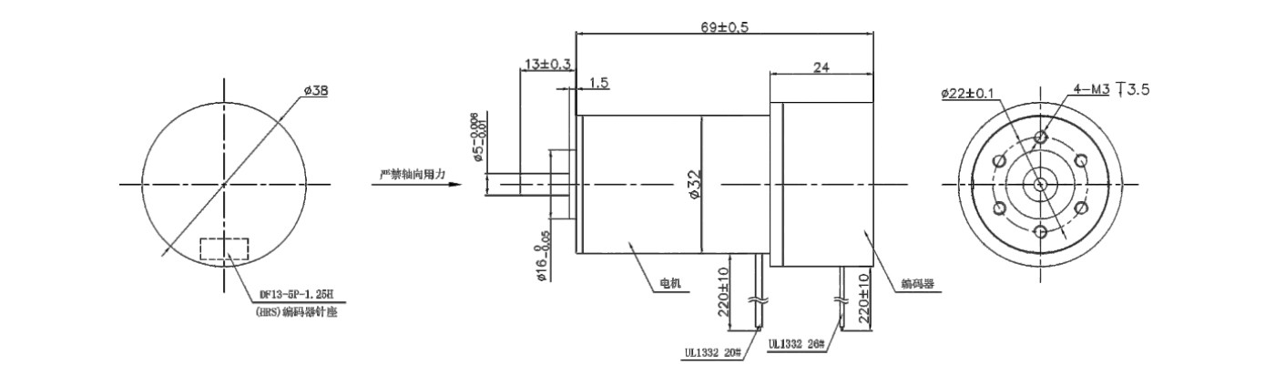
| Hình ảnh sản phẩm | |||||||
| Mô hình động cơ | Vec -1935 | Vec -1956 | Vec -2233 | ||||
| Điện áp | Phạm vi hoạt động | 4.2 | 12 | 8~14 | - | 8~14 | 20~26 |
| Danh nghĩa V |
4.2 | 12 | 12 | - | 12 | 24 | |
| Không tải | TỐC ĐỘ r/phút |
5594 | 15999 | 30323 | - | 17735 | 36000 |
| Hàng đồng hồ A |
0.088 | 0.085 | 0.37 | - | 0.18 | 0.16 | |
| Ở hiệu quả tối đa | TỐC ĐỘ r/phút |
5379 | 15630 | 27352 | - | 15155 | 32132 |
| HIỆN HÀNH A |
2.205 | 3.726 | 3.407 | - | 1.057 | 1.492 | |
| Mô -men xoắn mn.m |
10.031 | 17.243 | 12.288 | - | 5.062 | 7.589 | |
| Đầu ra W |
50.65 | 28.223 | 35.196 | - | 8.034 | 25.537 | |
| Bắt đầu | Mô -men xoắn mn.m |
261.32 | 747.402 | 125.426 | - | 34.797 | 70.632 |
| HIỆN HÀNH A |
55.229 | 157.797 | 31.368 | - | 6.21 | 12.42 | |
| Thiết kế sản phẩm |
|
|
|
||||
| Hiệu suất sản phẩm |
|
|
|
||||
| Hình ảnh sản phẩm | |||||||
| Mô hình động cơ | Vec -2850 | Vec -2855 | Vec -3269 | ||||
| Điện áp | Phạm vi hoạt động | 8.4~14.4 | 22~26 | 8.4~14.4 | 22~26 | 8.4~14.4 | 22~26 |
| Danh nghĩa V |
12 | 24 | 12 | 24 | 12 | 24 | |
| Không tải | TỐC ĐỘ r/phút |
8658 | 17650 | 4716 | 11131 | 2566 | 5236 |
| Hàng đồng hồ A |
0.26 | 0.22 | 0.139 | 0.136 | 0.139 | 0.134 | |
| Ở hiệu quả tối đa | TỐC ĐỘ r/phút |
7261 | 15536 | 4140 | 10218 | 2146 | 4599 |
| HIỆN HÀNH A |
1.351 | 1.911 | 0.997 | 1.557 | 0.709 | 1.003 | |
| Mô -men xoắn mn.m |
14.867 | 22.492 | 21.362 | 36.066 | 26.076 | 42.08 | |
| Đầu ra W |
11.305 | 36.593 | 9.26 | 38.525 | 5.86 | 20.265 | |
| Bắt đầu | Mô -men xoắn mn.m |
92.126 | 187.794 | 174.534 | 438.557 | 159.113 | 345.727 |
| HIỆN HÀNH A |
7.022 | 14.043 | 7.147 | 17.411 | 3.618 | 7.238 | |
| Thiết kế sản phẩm |
|
|
|
||||
| Hiệu suất sản phẩm |
|
|
|
||||
Giới thiệu vềĐộng cơ DC vô lực
Corless DC Motor là một trong những sản phẩm cốt lõi của VSD. Với nhiều năm kinh nghiệm sản xuất, công ty đã thiết lập một danh tiếng chuyên nghiệp và đáng tin cậy trong ngành. Dòng sản phẩm của chúng tôi bao gồm cả DC không chổi than và DC không chổi than, có thể đáp ứng nhu cầu của các kịch bản ứng dụng khác nhau.
Chúng tôi có một danh mục đầu tư rộng rãi của các động cơ DC vô hiệu, bao gồm một phạm vi kích thước từ OD tối thiểu là 5 mm đến tối đa OD 40mm, với độ dài từ 10 mm đến 110mm. Hiệu suất tốc độ cũng rất tuyệt vời, với tốc độ không tải có sẵn từ 1000R/phút đến 100000R/phút. Lựa chọn nhiều thông số kỹ thuật này cho phép các động cơ của chúng tôi dễ dàng thích nghi với một loạt các ứng dụng phức tạp.
Để đáp ứng nhu cầu đa dạng của khách hàng của chúng tôi, động cơ DC vô hiệu của VSD có thể được tích hợp linh hoạt với hộp số hành tinh hoặc bộ mã hóa từ tính để điều khiển chính xác hơn nữa. Ngoài việc cung cấp các sản phẩm được tiêu chuẩn hóa, chúng tôi tập trung vào việc cung cấp các giải pháp tùy chỉnh cho khách hàng của chúng tôi. Hơn 90 phần trăm khách hàng của chúng tôi chọn các dịch vụ tùy chỉnh của chúng tôi, điều này thể hiện đầy đủ sức mạnh chuyên môn của chúng tôi trong các nhu cầu cá nhân hóa.
Chúng tôi cung cấp một loạt các tùy chọn tùy chỉnh, bao gồm nhưng không giới hạn ở các mục sau:
- Tốc độ: Điều chỉnh theo yêu cầu ứng dụng cụ thể.
- Kích thước xuất hiện: Phù hợp để phù hợp với thiết kế hình dạng.
- Vật liệu động cơ: Chọn đúng vật liệu để cải thiện hiệu suất.
- Loại mang: Đáp ứng các yêu cầu của cuộc sống và sự ổn định khác nhau.
- Phạm vi điện áp: Hỗ trợ một loạt các điện áp hoạt động.
- Gắn các lỗ và giao diện: Tối ưu hóa chế độ cài đặt và tăng cường khả năng tương thích.
- Thiết kế mô -men xoắn: Tối ưu hóa hiệu suất đầu ra theo kịch bản sử dụng.
Chúng tôi phục vụ khách hàng từ khắp nơi trên thế giới, hơn 90% trong số họ đã chọn các giải pháp sản phẩm tùy chỉnh của chúng tôi. Từ thiết kế đến sản xuất, chúng tôi luôn tập trung vào nhu cầu của khách hàng và cam kết cung cấp các động cơ DC không có hiệu suất cao, đáng tin cậy và bền bỉ.
Nếu bạn đang tìm kiếm một động cơ DC không có chất lượng cao, cho dù đó là sản phẩm tiêu chuẩn hay dịch vụ tùy chỉnh, VSD sẽ là đối tác đáng tin cậy của bạn.
Tại sao chọn một tùy chỉnh VSDĐộng cơ DC vô lực
Khả năng tùy chỉnh tuyệt vời của động cơ DC không có quyền lực
Corless DC Motors là một thành phần cốt lõi không thể thiếu trong các ứng dụng công nghiệp và tiêu dùng hiện đại, và VSD đã trở thành đối tác ưa thích cho các động cơ DC không có quyền lực tùy chỉnh với khả năng sản xuất chuyên nghiệp và nhiều năm tích lũy kỹ thuật.
Tất cả DC Motors của chúng tôi đã thông qua ISO/IATF, CE, AEC-Q và các chứng nhận quốc tế khác, và được sản xuất và sản xuất theo các tiêu chuẩn liên quan nghiêm ngặt. Điều này không chỉ đảm bảo chất lượng của các động cơ, mà còn thiết lập vị trí hàng đầu của chúng tôi trên thị trường toàn cầu.
Động cơ của chúng tôi có các tính năng bảo vệ nâng cao, bao gồm bảo vệ điện áp, bảo vệ giới hạn hiện tại, bảo vệ khóa, v.v., để cung cấp hiệu suất an toàn và đáng tin cậy trong môi trường làm việc phức tạp. Đồng thời, động cơ có đặc điểm của khởi động thấp và tốc độ cao, có thể duy trì nhiễu thấp và độ rung thấp ngay cả ở tốc độ cao, mang lại trải nghiệm hoạt động ổn định hơn.
Mỗi động cơ DC vô lực cần phải trải qua một loạt các thử nghiệm nghiêm ngặt trước khi rời khỏi nhà máy, bao gồm:
- Kiểm tra tiếng ồn
- Kiểm tra sức cản nước
- Kiểm tra cuộc sống
- Kiểm tra sự cố
- Kiểm tra lưu trữ
- Kiểm tra xịt muối
Những thử nghiệm này đảm bảo rằng động cơ của chúng tôi hoạt động tốt trong nhiều điều kiện khắc nghiệt khác nhau.
Thiết kế độc đáo của động cơ DC vô lực làm giảm trọng lượng và khối lượng của nó từ 1/3 xuống 1/2 so với các động cơ cốt lõi truyền thống của cùng một sức mạnh, trong khi giảm hiệu quả các tổn thất dòng điện xoáy và cải thiện đáng kể hiệu quả, với hiệu quả tổng thể hơn 70% đến 90%. Thiết kế này không chỉ cải thiện hiệu suất của động cơ, mà còn đáp ứng nhu cầu của các ứng dụng hiện đại cho trọng lượng nhẹ và hiệu quả cao.
Chúng tôi có kinh nghiệm phong phú về tùy chỉnh và đã cung cấp các giải pháp tùy chỉnh chuyên ngành cho nhiều ngành công nghiệp như lĩnh vực y tế, lĩnh vực hộ gia đình, lĩnh vực hàng không vũ trụ và lĩnh vực công nghiệp. Khả năng tùy chỉnh của chúng tôi bao gồm một loạt các nhu cầu và chúng tôi cam kết cung cấp các sản phẩm phù hợp cho mỗi khách hàng.
Một nhà sản xuất chuyên nghiệp củaĐộng cơ DC vô lựcs
Kể từ khi thành lập vào năm 2011, sau hơn mười năm phát triển, VSD đã dần dần phát triển từ một hội thảo nhỏ sang một nhà máy hiện đại với tổng diện tích hơn 10, 000 mét vuông. Công ty hiện có hơn 30 nhân viên R & D, hơn 500 nhân viên tuyến đầu, hơn 40 dây chuyền lắp ráp và hơn 300 bộ thiết bị tự động hóa, để đạt được năng lực sản xuất mạnh hơn 200, 000} đơn vị mỗi ngày. Hệ thống sản xuất quy mô lớn và chuyên môn này khiến chúng ta ở vị trí hàng đầu trong ngành.
Là một nhà sản xuất nguồn, VSD có thể cung cấp cho khách hàng các giải pháp micromotor chuyên nghiệp hơn và giá cả cạnh tranh cao. Chúng tôi cắt liên kết Middman và kết nối trực tiếp với khách hàng, điều này không chỉ đảm bảo lợi thế chi phí mà còn cải thiện đáng kể hiệu quả dịch vụ.
Trong những ngày đầu hợp tác, chúng tôi rất chú trọng đến việc xây dựng niềm tin với khách hàng của chúng tôi. Nếu bạn có nhu cầu, chúng tôi có thể sắp xếp các cuộc họp trực tuyến, bao gồm các nhân viên thương mại nước ngoài và kỹ sư R & D có kinh nghiệm, để trả lời các câu hỏi của bạn một cách chi tiết và cung cấp hỗ trợ kỹ thuật chuyên nghiệp. Để tăng cường hơn nữa niềm tin, chúng tôi cũng hỗ trợ các chuyến thăm nhà máy ngoại tuyến, để bạn có thể chứng kiến sức mạnh sản xuất và kiểm soát chất lượng của chúng tôi.
VSD cam kết cung cấp cho khách hàng các động cơ DC không có hiệu suất cao, đáng tin cậy và bền bỉ. Cho dù đó là sản phẩm được tiêu chuẩn hóa hoặc nhu cầu tùy chỉnh, chúng tôi sẽ cung cấp cho bạn dịch vụ chất lượng với thái độ chuyên nghiệp. Nếu bạn đang tìm kiếm một đối tác đáng tin cậy, VSD sẽ là lựa chọn tốt nhất của bạn, hãy để lại thông tin liên lạc của bạn và chúng tôi sẽ liên hệ lại với bạn trong vòng 24 giờ.
Gửi yêu cầu
Bạn cũng có thể thích

























