
Động cơ vô lực: Thích hợp cho người hâm mộ, máy thổi, máy khoan điện cầm tay, v.v.
Động cơ DC vô hiệu của VSD là sản phẩm tiêu chuẩn mới nhất của năm 2024, áp dụng công nghệ DC không chổi than nâng cao đồng thời hỗ trợ các động cơ DC được chải tùy chỉnh theo yêu cầu.
Cho dù được áp dụng trong các dụng cụ chính xác, thiết bị cầm tay hoặc ổ robot, động cơ DC vô hiệu của VSD cung cấp các giải pháp năng lượng hiệu quả và đáng tin cậy cao cho các dự án của bạn. Chọn VSD để biết chi tiết tốt hơn và điều khiển chính xác hơn trong mỗi ổ đĩa!
Mô tả
Động cơ không dây tốc độ cao mới nhất
| Hình ảnh sản phẩm | |||||||||
| Mô hình động cơ | Vec -1218 | Vec -0824 | Vec -1630 | Vec -2242 hi | |||||
| Điện áp | Phạm vi hoạt động | 8~14 | 22~26 | 6~12 | 8~14 | 8~14 | 22~26 | 18 | 22~32 |
| Danh nghĩa V |
12 | 24 | 6 | 12 | 12 | 24 | 18 | 24 | |
| Không tải | TỐC ĐỘ r/phút |
30080 | 62215 | 35000 | 71171 | 18408 | 37411 | 52379 | 70170 |
| Hàng đồng hồ A |
0.12 | 0.1 | 0.055 | 0.055 | 0.136 | 0.136 | 0.37 | 0.37 | |
| Ở hiệu quả tối đa | TỐC ĐỘ r/phút |
24010 | 52777 | 29663 | 63138 | 15640 | 33250 | 46083 | 62746 |
| HIỆN HÀNH A |
0.475 | 0.671 | 0.306 | 0.432 | 0.768 | 1.087 | 2.708 | 3.127 | |
| Mô -men xoắn mn.m |
1.373 | 2.095 | 0.369 | 0.556 | 4.041 | 6.075 | 7.827 | 9.23 | |
| Đầu ra W |
3.453 | 11.579 | 1.147 | 3.673 | 6.619 | 21.153 | 37.773 | 60.65 | |
| Bắt đầu | Mô -men xoắn mn.m |
6.807 | 13.811 | 2.421 | 4.922 | 26.872 | 54.614 | 65.112 | 87.236 |
| HIỆN HÀNH A |
1.878 | 3.752 | 1.699 | 3.398 | 4.341 | 8.682 | 19.817 | 26.425 | |
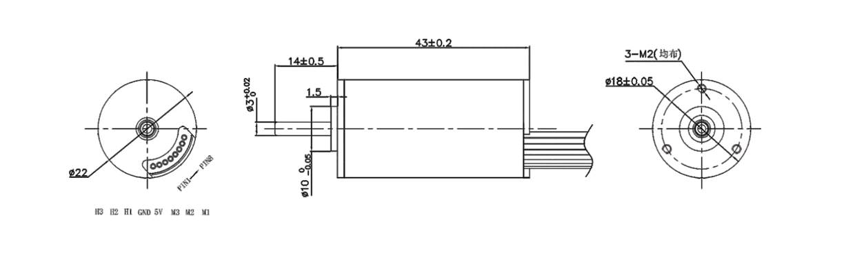
| Thiết kế sản phẩm |
|
|
|
|
|||||
| Hiệu suất sản phẩm |
|
|
|
|
|||||
| Hình ảnh sản phẩm | |||||||||
| Mô hình động cơ | Vec -2850 | Vec -1656 Si | Vec -3260 Si | Vec -3269 | |||||
| Điện áp | Phạm vi hoạt động | 8.4~14.4 | 22~26 | 8~14 | 22~32 | 8.4~14.4 | 22~26 | 8.4~14.4 | 22~26 |
| Danh nghĩa V |
12 | 24 | 12 | 24 | 12 | 24 | 12 | 24 | |
| Không tải | TỐC ĐỘ r/phút |
8658 | 17650 | 37256 | 7500 | 3301 | 6748 | 2566 | 5236 |
| Hàng đồng hồ A |
0.26 | 0.22 | 0.286 | 0.281 | 0.141 | 0.138 | 0.139 | 0.134 | |
| Ở hiệu quả tối đa | TỐC ĐỘ r/phút |
7261 | 15536 | 33133 | 69025 | 2738 | 5891 | 2146 | 4599 |
| HIỆN HÀNH A |
1.351 | 1.911 | 2.298 | 3.249 | 0.685 | 0.969 | 0.709 | 1.003 | |
| Mô -men xoắn mn.m |
14.867 | 22.492 | 7.165 | 10.555 | 19.256 | 29.298 | 26.076 | 42.08 | |
| Đầu ra W |
11.305 | 36.593 | 24.86 | 76.291 | 5.52 | 18.074 | 5.86 | 20.265 | |
| Bắt đầu | Mô -men xoắn mn.m |
92.126 | 187.794 | 64.727 | 130.473 | 112.833 | 230.655 | 159.113 | 345.727 |
| HIỆN HÀNH A |
7.022 | 14.043 | 18.46 | 36.92 | 3.33 | 6.66 | 3.618 | 7.238 | |
| Thiết kế sản phẩm |
|
|
|
|
|||||
| Hiệu suất sản phẩm |
|
|
|
|
|||||
Giới thiệu về động cơ không có quyền lực
Động cơ DC vô hiệu của VSD là sản phẩm tiêu chuẩn mới nhất của năm 2024, áp dụng công nghệ DC không chổi than nâng cao đồng thời hỗ trợ các động cơ DC được chải tùy chỉnh theo yêu cầu. Các động cơ này có thiết kế nhỏ gọn và hiệu suất nổi bật, khiến chúng trở thành giải pháp lý tưởng để đáp ứng nhu cầu thực địa đa dạng.
Động cơ DC vô lực của chúng tôi có một phạm vi đầy đủ các kích thước (chẳng hạn như 10 mm, 16mm, 20 mm, v.v.) và hỗ trợ các cấu hình tốc độ khác nhau, từ 2000 R/phút đến 90000 R/phút. Điện áp định mức bao gồm 6V, 12V, 18V và 24V, đáp ứng nhu cầu cung cấp năng lượng đa dạng cho cả ứng dụng công nghiệp và hộ gia đình một cách dễ dàng.
Thiết kế của VSD Corless DC Motors vượt trội trong các khu vực chính, có tiếng ồn thấp, không có tiếng, tốc độ cực cao, quán tính thấp và phản ứng nhanh. Những lợi thế này không chỉ nâng cao hiệu quả hoạt động của động cơ mà còn đảm bảo hiệu suất ổn định và đáng tin cậy trong điều kiện làm việc phức tạp, cung cấp đảm bảo hiệu suất cao cho người dùng.
Để đáp ứng nhu cầu của khách hàng đa dạng, chúng tôi cung cấp các dịch vụ tùy chỉnh toàn diện, bao gồm các điều chỉnh được cá nhân hóa cho trục đầu ra, khách hàng tiềm năng, khách hàng tiềm năng, lỗ hổng, tốc độ và điện áp. Ngoài ra, các sản phẩm của chúng tôi đã có được các chứng nhận quốc tế như ISO và CE, đảm bảo an toàn và độ tin cậy về chất lượng.
Hiện tại, VSD Corless DC Motors được sử dụng rộng rãi trong quạt, máy thổi, máy khoan cầm tay, bàn chải đánh răng điện và các trường khác, với việc mở rộng liên tục sang các kịch bản ứng dụng mới. Chọn VSD Motors cung cấp cho bạn hỗ trợ sản phẩm hiệu quả và đáng tin cậy, cùng với trải nghiệm dịch vụ linh hoạt, thêm nhiều khả năng cho các dự án của bạn.
Ưu điểm của VSD Corless DC Motors
Động cơ DC vô hiệu của VSD nổi bật trong ngành thiết bị chính xác do hiệu suất tuyệt vời và thiết kế nhỏ gọn của họ. Thiết kế của họ cân bằng cẩn thận hiệu quả và hiệu suất.
Tiếng ồn thấp: Rung tối thiểu và tiếng ồn thấp trong quá trình hoạt động cung cấp giải pháp hoàn hảo cho các kịch bản ứng dụng nhạy cảm với tiếng ồn.
Không có lớp vỏ: Cấu trúc từ trường được tối ưu hóa làm giảm hiệu quả gợn mô -men xoắn, tăng cường độ ổn định và hiệu quả của động cơ.
Tốc độ cực cao: Hỗ trợ tốc độ quay cực kỳ cao, lý tưởng cho các thiết bị hiệu suất cao đòi hỏi phản ứng hành động nhanh chóng.
Quán tính thấp: Thiết kế độc đáo làm giảm đáng kể trọng lượng rôto, đạt được điều khiển Start-Stop phản ứng nhanh hơn.
Phản hồi nhanh chóng: Nhờ thiết kế nhẹ và sản xuất chính xác cao, động cơ nhanh chóng thích nghi với thay đổi tải đột ngột, mang lại hiệu suất động đặc biệt.
Kích thước nhỏ gọn: Động cơ nhỏ và nhẹ cung cấp hỗ trợ mạnh mẽ trong không gian hạn chế.
Cho dù được áp dụng trong các dụng cụ chính xác, thiết bị cầm tay hoặc ổ robot, động cơ DC vô hiệu của VSD cung cấp các giải pháp năng lượng hiệu quả và đáng tin cậy cao cho các dự án của bạn. Chọn VSD để biết chi tiết tốt hơn và điều khiển chính xác hơn trong mỗi ổ đĩa!
Ứng dụng của động cơ DC không có quyền lực
Động cơ DC vô hiệu của VSD, với hiệu suất và thiết kế nhỏ gọn nổi bật của chúng, được áp dụng rộng rãi trên các trường khác nhau, đóng vai trò là thành phần năng lượng cốt lõi cho thiết bị chính xác.
Họ cung cấp hỗ trợ đáng tin cậy cho các ứng dụng sau:
Quạt và máy thổi: đạt được sản lượng luồng không khí hiệu quả và ổn định với hoạt động yên tĩnh, phù hợp cho môi trường gia đình, văn phòng và công nghiệp.
Cuộc tập trận cầm tay: Cung cấp sức mạnh mạnh mẽ và phản ứng nhanh, đảm bảo hiệu suất tuyệt vời ngay cả trong các hoạt động tải nặng, tăng cường độ tin cậy và hiệu quả của các công cụ chuyên nghiệp.
Bàn chải đánh răng điện: Tiếng ồn thấp và hoạt động tốc độ cao cung cấp trải nghiệm người dùng thoải mái, với ổ đĩa chính xác đảm bảo hiệu quả vệ sinh, đáp ứng nhu cầu của các thiết bị chăm sóc cao cấp.
Nhà sản xuất động cơ DC không có quyền lực đáng tin cậy
Là một nhà sản xuất bắt nguồn sâu sắc trong ngành công nghiệp xe máy trong nhiều năm, VSD cam kết cung cấp cho khách hàng động cơ DC không có chất lượng cao. Chúng tôi nổi tiếng với công nghệ tiên tiến, thiết bị tiên tiến, kiểm soát chất lượng nghiêm ngặt và nghiên cứu và phát triển sáng tạo.
Chứng nhận quốc tế và đảm bảo chất lượng
VSD đã thu được các chứng chỉ ISO và CE và giới thiệu thiết bị thử nghiệm nâng cao để đảm bảo mọi động cơ DC không có quyền lực tuân thủ các tiêu chuẩn quốc tế. Quá trình kiểm tra chất lượng sản phẩm của chúng tôi bao gồm đo độ cứng, kiểm tra hiệu suất toàn diện và nhiều hơn nữa, đảm bảo độ tin cậy và độ bền.
Dây chuyền sản xuất tự động
Các dây chuyền sản xuất của chúng tôi hoàn toàn tự động, được trang bị các máy như máy cuộn dây tự động, máy stato tự động, máy bìa tự động và máy hàn tự động. Chúng không chỉ tăng cường hiệu quả sản xuất mà còn đảm bảo tính nhất quán và độ chính xác cao trong các sản phẩm.
Khả năng R & D mạnh mẽ
Chúng tôi có một nhóm R & D độc lập với các kỹ sư có kinh nghiệm và đầu tư các quỹ đáng kể hàng năm vào việc phát triển và thiết kế các mô hình động cơ mới để đáp ứng nhu cầu phát triển của khách hàng. Cho dù đối với các sản phẩm tiêu chuẩn hay tùy chỉnh OEM/ODM, chúng tôi cung cấp lời khuyên chuyên nghiệp và các giải pháp sáng tạo.
Dịch vụ tùy biến toàn diện
Để đáp ứng nhu cầu cụ thể của khách hàng, VSD cung cấp các dịch vụ tùy chỉnh bao gồm tất cả mọi thứ từ tài liệu đến hiệu suất. Các thiết kế nhóm R & D của chúng tôi và sản xuất các sản phẩm động cơ dựa trên các yêu cầu độc đáo của khách hàng.
Chọn VSD để hợp tác với một công ty sản xuất động cơ đáng tin cậy và sáng tạo. Chúng tôi đảm bảo chất lượng tuyệt vời và dịch vụ chuyên nghiệp để bảo vệ các dự án của bạn!
Tìm hiểu thêm:Khả năng động cơ không có quyền lực tùy chỉnh VSD
Gửi yêu cầu
Bạn cũng có thể thích































