động cơ bldc nhỏ
VSD cung cấp nhiều loại động cơ BLDC nhỏ với mô-men xoắn khác nhau, điện áp khác nhau và kích cỡ khác nhau, được sử dụng rộng rãi trong máy bay không người lái, robot, dụng cụ điện và các thiết bị khác. Động cơ BLDC nhỏ của chúng tôi có hiệu suất cao, nhẹ, tuổi thọ cao và tỷ lệ hỏng hóc thấp, khiến chúng trở nên lý tưởng cho các ứng dụng chính xác.
Mô tả
Sử dụng công nghệ tiên tiến và vật liệu chất lượng cao, dòng động cơ bldc cỡ nhỏ của VSD cung cấp nhiều loại mô-men xoắn, điện áp và kích cỡ để đáp ứng nhiều nhu cầu ứng dụng. Từ máy bay không người lái và rô-bốt nhỏ cho đến rô-bốt dịch vụ và thiết bị truyền động nhỏ, động cơ của chúng tôi nổi bật nhờ thiết kế gọn nhẹ, mô-men xoắn đầu ra cao hơn và công suất lớn hơn. Với hiệu suất vượt trội và thiết kế ổ bi kép, động cơ BLDC cỡ nhỏ của VSD vượt trội khi xử lý các nhiễu loạn bên ngoài như nhiệt độ, áp suất và độ rung cao, đảm bảo tuổi thọ dài hơn và tỷ lệ hỏng hóc thấp hơn.
Động cơ bldc nhỏ của VSD là một sản phẩm hot được giới thiệu
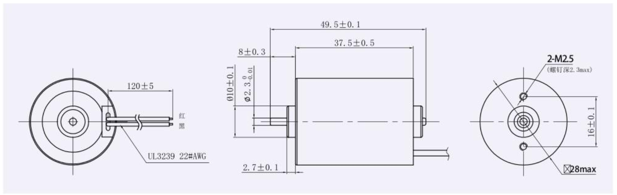
Sản phẩm 1:
|
Số mô hình: |
VBL-2838 |
|
Ứng dụng điển hình: |
Tông đơ cắt tóc, máy khoan không dây |
|
Điểm nóng chính: |
Tốc độ cao, mini, vòng bi đôi |
|
Các mục tùy chỉnh: |
Trục Qutput, Dây dẫn, Đầu nối, Lỗ lắp, Tốc độ, Điện áp |
Thông số động cơ:
| ĐIỆN ÁP | KHÔNG TẢI | HIỆU QUẢ TỐI ĐA | BẮT ĐẦU | ||||||
| Áp dụng phạm vi |
Giá trị định mức V |
Tốc độ v/ph |
Hiện hành A |
Tốc độ v/ph |
Hiện hành A |
mô-men xoắn mN.m |
Quyền lực W |
mô-men xoắn mN.m |
Hiện hành A |
| 8~16 | 12 | 3044 | 0.096 | 2294 | 0.293 | 7.59 | 1.825 | 30.81 | 0.897 |
| 18~26 | 24 | 6133 | 0.132 | 4879 | 0.513 | 13.36 | 6.826 | 65.32 | 1.997 |
Thiết kế động cơ không chổi than:

Hiệu suất động cơ:

Sản phẩm 2:
|
Số mô hình: |
VBL-1725 |
|
Ứng dụng điển hình: |
máy bơm siêu nhỏ, dụng cụ phẫu thuật |
|
Điểm nóng chính: |
Tốc độ cao, Vòng bi đôi, nhẹ |
|
Các mục tùy chỉnh: |
Trục Qutput, Dây dẫn, Đầu nối, Lỗ lắp, Tốc độ, Điện áp |
Thông số động cơ:
| ĐIỆN ÁP | KHÔNG TẢI | HIỆU QUẢ TỐI ĐA | BẮT ĐẦU | ||||||
| Áp dụng phạm vi |
Giá trị định mức V |
Tốc độ v/ph |
Hiện hành A |
Tốc độ v/ph |
Hiện hành A |
mô-men xoắn mN.m |
Quyền lực W |
mô-men xoắn mN.m |
Hiện hành A |
| 3.5~7 | 5 | 6147 | 0.064 | 4502 | 0.174 | 0.78 | 0.369 | 2.92 | 0.476 |
| 3.5~7 | 6 | 12741 | 0.102 | 10149 | 0.399 | 1.317 | 1.400 | 6.47 | 1.563 |
Thiết kế động cơ không chổi than:

Hiệu suất động cơ:

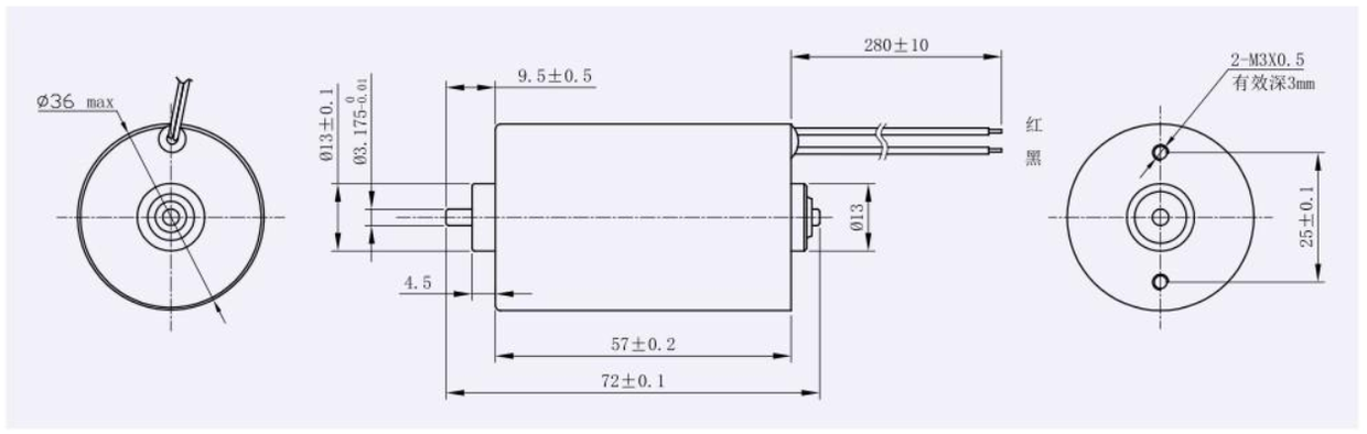
Sản phẩm 3:
|
Số mô hình: |
VBL-3050 |
|
Ứng dụng điển hình: |
robot phục hồi chức năng, robot nhỏ |
|
Điểm nóng chính: |
nhẹ, tuổi thọ cao hơn, hiệu quả cao hơn |
|
Các mục tùy chỉnh: |
Trục Qutput, Dây dẫn, Đầu nối, Lỗ lắp, Tốc độ, Điện áp |
Thông số động cơ:
| ĐIỆN ÁP | KHÔNG TẢI | HIỆU QUẢ TỐI ĐA | BẮT ĐẦU | ||||||
| Áp dụng phạm vi |
Giá trị định mức V |
Tốc độ v/ph |
Hiện hành A |
Tốc độ v/ph |
Hiện hành A |
mô-men xoắn mN.m |
Quyền lực W |
mô-men xoắn mN.m |
Hiện hành A |
| 8~16 | 12 | 3800 | 0.119 | 3054 | 0.488 | 10.44 | 3.342 | 53.25 | 1.997 |
| 18~26 | 24 | 5486 | 0.108 | 4482 | 0.482 | 5.19 | 2.438 | 28.38 | 2.154 |
Thiết kế động cơ không chổi than:

Hiệu suất động cơ:

Sản phẩm 4:
|
Số mô hình: |
VBL-3626 |
|
Ứng dụng điển hình: |
thiết bị truyền động nhỏ, robot dịch vụ |
|
Điểm nóng chính: |
hiệu suất chi phí cao, hiệu quả cao hơn, nhẹ |
|
Các mục tùy chỉnh: |
Trục Qutput, Dây dẫn, Đầu nối, Lỗ lắp, Tốc độ, Điện áp |
Thông số động cơ:
| ĐIỆN ÁP | KHÔNG TẢI | HIỆU QUẢ TỐI ĐA | BẮT ĐẦU | ||||||
| Áp dụng phạm vi |
Giá trị định mức V |
Tốc độ v/ph |
Hiện hành A |
Tốc độ v/ph |
Hiện hành A |
mô-men xoắn mN.m |
Quyền lực W |
mô-men xoắn mN.m |
Hiện hành A |
| 8~16 | 12 | 7014 | 0.258 | 5525 | 0.957 | 11.31 | 6.543 | 53.26 | 3.550 |
| 18~26 | 24 | 4338 | 0.098 | 3276 | 0.302 | 9.67 | 3.318 | 39.50 | 0.933 |
Thiết kế động cơ không chổi than:

Hiệu suất động cơ:

Sản phẩm 5:
|
Số mô hình: |
VBL-3657 |
|
Ứng dụng điển hình: |
máy bơm nước siêu nhỏ, bể bơi, ô tô |
|
Điểm nóng chính: |
tiếng ồn thấp, truyền động trực tiếp, mini, hiệu quả cao hơn |
|
Các mục tùy chỉnh: |
Trục Qutput, Dây dẫn, Đầu nối, Lỗ lắp, Tốc độ, Điện áp |
Thông số động cơ:
| ĐIỆN ÁP | KHÔNG TẢI | HIỆU QUẢ TỐI ĐA | BẮT ĐẦU | ||||||
| Áp dụng phạm vi |
Giá trị định mức V |
Tốc độ v/ph |
Hiện hành A |
Tốc độ v/ph |
Hiện hành A |
mô-men xoắn mN.m |
Quyền lực W |
mô-men xoắn mN.m |
Hiện hành A |
| 8~16 | 12 | 5067 | 0.172 | 4324 | 1.002 | 17.987 | 8.145 | 122.734 | 5.833 |
| 18~26 | 24 | 8648 | 0.146 | 7491 | 0.944 | 20.401 | 16.003 | 152.414 | 6.111 |
Thiết kế động cơ không chổi than:

Hiệu suất động cơ:

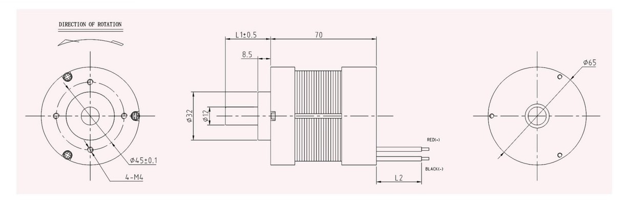
Sản phẩm 6:
|
Số mô hình: |
VBL-6570 |
|
Ứng dụng điển hình: |
Máy bơm nước, máy bơm không khí, máy trộn, máy ly tâm |
|
Điểm nóng chính: |
hiệu suất chi phí cao, tốc độ cao, vòng bi đôi |
|
Các mục tùy chỉnh: |
Trục Qutput, Dây dẫn, Đầu nối, Lỗ lắp, Tốc độ, Điện áp |
Thông số động cơ:
| ĐIỆN ÁP | KHÔNG TẢI | HIỆU QUẢ TỐI ĐA | BẮT ĐẦU | ||||||
| Áp dụng phạm vi |
Giá trị định mức V |
Tốc độ v/ph |
Hiện hành A |
Tốc độ v/ph |
Hiện hành A |
mô-men xoắn mN.m |
Quyền lực W |
mô-men xoắn mN.m |
Hiện hành A |
| 20~26 | 24 | 1055 | 0.200 | 870 | 0.940 | 167.573 | 15.266 | 955.343 | 4.420 |
Thiết kế động cơ không chổi than:

Hiệu suất động cơ:

Tại sao chọn động cơ bldc nhỏ của VSD (lấy VBL-2838 làm ví dụ)
Nhiều thông số kỹ thuật với hiệu suất cao
Dòng động cơ không chổi than nhỏ của VSD cung cấp nhiều loại mô-men xoắn và điện áp (6V, 12V, 24V) để đáp ứng nhu cầu của mọi thứ từ dụng cụ chính xác đến thiết bị công nghiệp. Động cơ có thể đạt tốc độ 7,000 vòng/phút ở hiệu suất tối đa, hiệu suất từ 85 đến 90 phần trăm. So với các sản phẩm khác trên thị trường, động cơ không chổi than cỡ nhỏ của VSD nhẹ hơn, mạnh mẽ hơn và có mô-men xoắn đầu ra cao hơn, thể hiện đầy đủ ưu điểm của thiết kế hiệu suất cao.
Tuổi thọ dài hơn và độ tin cậy cao
Động cơ VSD được thiết kế với vòng bi đôi, giúp giảm ma sát cơ học, kéo dài tuổi thọ sử dụng và giúp lắp đặt dễ dàng hơn. Thiết kế này không chỉ làm giảm nhu cầu bảo trì mà còn cải thiện đáng kể độ tin cậy của động cơ. Vật liệu chất lượng cao và công nghệ tiên tiến được sử dụng bên trong để đảm bảo động cơ có thể hoạt động tốt trong môi trường phức tạp và chống lại sự can thiệp từ các yếu tố bên ngoài như nhiệt độ, áp suất và độ rung.
Chi phí thấp và hiệu suất chi phí cao
Bất chấp hiệu suất và thiết kế tiên tiến của động cơ không chổi than nhỏ của VSD, chi phí sản xuất của chúng được kiểm soát tốt, khiến chúng trở thành lựa chọn cạnh tranh trên thị trường. Đặc biệt trong lĩnh vực dịch vụ tùy chỉnh, VSD có thể cung cấp các giải pháp tùy chỉnh chuyên nghiệp theo nhu cầu đặc biệt của khách hàng, bao gồm hỗ trợ tích hợp của hệ thống truyền động, truyền động cơ khí và các khía cạnh khác, để đảm bảo khách hàng có thể nhận được kết quả ứng dụng tốt nhất tại một thời điểm. chi phí thấp hơn.
Hỗ trợ kỹ thuật đầu ngành
Động cơ không chổi than nhỏ của VSD không chỉ có bộ truyền động tích hợp và tích hợp tiêu chuẩn mà còn hỗ trợ hệ thống truyền động cơ học để đáp ứng nhu cầu ứng dụng đa dạng. Công ty cung cấp đầy đủ các dịch vụ tùy chỉnh để điều chỉnh điện áp, mô-men xoắn và thiết kế theo yêu cầu cụ thể, đảm bảo rằng mỗi động cơ đều phù hợp chính xác với nhu cầu dự án của khách hàng.
Tỷ lệ thất bại thấp và hiệu suất môi trường
Với hệ thống chuyển mạch điện tử hiệu quả và thiết kế không chổi than, động cơ không chổi than nhỏ của VSD tránh được các sự cố hỏng hóc do mòn chổi than trong động cơ truyền thống, giảm thời gian ngừng hoạt động và chi phí bảo trì. Đồng thời, hoạt động hiệu quả cũng đồng nghĩa với việc tiêu thụ năng lượng thấp hơn, phù hợp với tiêu chuẩn môi trường hiện đại, là sự lựa chọn tiết kiệm và thân thiện với môi trường để sử dụng lâu dài.
lĩnh vực ứng dụng động cơ bldc nhỏ
Do đặc tính hiệu suất cao, nhỏ gọn, ít bảo trì và điều khiển chính xác, động cơ bldc nhỏ được sử dụng rộng rãi trong nhiều lĩnh vực, từ thiết bị điện tử tiêu dùng đến ứng dụng công nghiệp và lĩnh vực ứng dụng của nó bao gồm hầu hết các loại thiết bị cơ khí chính xác và nhẹ.
Điện tử tiêu dùng: Trong lĩnh vực điện tử tiêu dùng, động cơ bldc cỡ nhỏ đã trở thành nguồn năng lượng cốt lõi của nhiều thiết bị. Ví dụ: trong máy tông đơ cắt tóc, động cơ dòng VBL{0}} của VSD rất lý tưởng nhờ thiết kế nhỏ gọn, hiệu suất cao và hiệu suất ít tiếng ồn.
Robot: Với sự phát triển nhanh chóng của ngành công nghiệp robot thông minh, động cơ không chổi than nhỏ đã trở thành một trong những thành phần cốt lõi của robot dịch vụ và robot nhỏ. Robot thường yêu cầu động cơ có thiết kế gọn nhẹ, hiệu suất cao và độ ồn thấp để đảm bảo công suất đầu ra ổn định và chính xác trong thời gian dài hoạt động. Động cơ không chổi than của VSD được sử dụng rộng rãi trong robot dịch vụ gia đình, thiết bị làm sạch tự động và robot giáo dục để cung cấp khả năng hỗ trợ nguồn điện trơn tru và đáng tin cậy.
Dụng cụ và thiết bị điện: Động cơ không chổi than nhỏ cũng được sử dụng rộng rãi trong các dụng cụ điện, chẳng hạn như máy khoan không dây, dụng cụ mài và thiết bị cắt. Những công cụ này dựa vào công suất mô-men xoắn cao và đặc tính bảo trì thấp để giúp vận hành hiệu quả hơn và lâu dài hơn. Thiết kế mô-men xoắn cao của động cơ không chổi than của VSD đặc biệt phù hợp với nhu cầu của các công cụ này, đảm bảo người dùng vẫn có thể đạt được hiệu suất vượt trội trong điều kiện vận hành cường độ cao.
Thiết bị y tế: Độ chính xác, tin cậy và an toàn của động cơ điện được yêu cầu rất cao trong lĩnh vực y tế. Động cơ không chổi than nhỏ được sử dụng rộng rãi trong máy bơm thu nhỏ, máy thở, thiết bị phẫu thuật và các dụng cụ y tế chính xác khác. Với tuổi thọ cao và tỷ lệ hỏng hóc thấp, động cơ không chổi than VSD đáp ứng các yêu cầu khắt khe về vận hành ổn định và liên tục của thiết bị y tế.
Ngoài các lĩnh vực trên, chúng còn được sử dụng rộng rãi trong các thiết bị gia dụng, điều chỉnh ghế ô tô, rèm điện, dụng cụ chính xác và các lĩnh vực khác.
Liên hệ với chúng tôi để báo giá
Nếu bạn đang tìm kiếm một động cơ bldc nhỏ hiệu suất cao, VSD, với tư cách là nhà sản xuất và nhà cung cấp hàng đầu tại Trung Quốc, sẽ cung cấp cho bạn những sản phẩm và dịch vụ chất lượng tốt nhất. Nhiều loại động cơ BLDC nhỏ của chúng tôi phù hợp với nhiều tình huống ứng dụng khác nhau như máy bay không người lái, robot dịch vụ và dụng cụ điện.
Cho dù bạn có bất kỳ nhu cầu nào về các sản phẩm cụ thể hoặc muốn biết về các dịch vụ tùy chỉnh, vui lòng liên hệ với chúng tôi. Vui lòng điền thông tin liên hệ và yêu cầu của bạn để được báo giá chi tiết sản phẩm, bảng giá và hỗ trợ kỹ thuật nhiều hơn. Chúng tôi hứa sẽ trả lời yêu cầu báo giá của bạn trong vòng 2 giờ, đảm bảo rằng bạn nhận được giải pháp động cơ bldc nhỏ chất lượng càng sớm càng tốt.
Gửi yêu cầu
Bạn cũng có thể thích











